Jump to content
Intalnire BMW Club 12-14 Decembrie 2025 - Resort 7 Crai, Zarnesti (Brasov). Mai avem 3 camere disponibile!!! ×

Bucse E36


Recommended Posts

Salut si LA MULTI MULTI ANI tuturor celor care citesc ceea ce am de zis :) .

Am si eu un zgomot pe fatza la E36-ele meu,care a crescut treptat...La inceput abia se simtea,iar acum ma deranjeaza la denivelari destul de tare.Chestia e ca nu face figuri la viteza(si la 140..150km/h merge drept,nu bate,nu troncane)doar face zgomot la denivelari,zgomot care ma cam irita :) ...Am mers la un 'meserias',s-a uitat el putin p'acolo,si nu se simte decat daca e ridicata masina,si a zis ca e bucsa aia de la bratz.

Am gasit niste poze cu bucsele respective.

Ceea ce ma intereseaza pe mine e daca a mai schimbat cineva,daca a mai avut cineva aceleasi ''simptome'',si daca poate sa imi spuna cineva daca bucsele alea sunt rezolvarea mea :lol:

BAFTA la toti si ast.post'uri.

Link to comment
Share on other sites

Deci tu zici ca alea ar fi...OK. :lol:

Mai erau si unele cu orificiul ala conic,nu drept ca cele din poza,dar cred ca erau de ///M,ca si pretul era cam HIGH.

Eu ma gandeam sa nu cumpar altceva,daca nu trebuie neaparat,ca si asa cu sarbatorilea astea am cam spart'pusculitza :)

Mc.de rasp. si te mai astept si cu alte ocazii :)

BAFTA!

Link to comment
Share on other sites

Bingo Dan.316 .... Astea sunt, bucsi spate - bascula fata... si intr-adevar daca iti cloncane masina alea sunt de vina intr-o oarecare masura... adica ai 50-50 sanse sa nu fie doar ele... e posibil sa fie si pivotii de la bascula care si aia sunt considerati "sosete" ... ar fi bine sa verifici tot... sa astepti pana stragi iar la pusculita...sa schimbi tot ce trebuie.. si pana atunci mergi incet si eviti gropile...

 

Spor

Link to comment
Share on other sites

Si eu am probleme cu gropile atat pe fata cat si pe spate. Pe fata am joc la toate bucsile si bratele si tot ce exista plus ca me spate cand dau in gropi face de parca ar fi fier pe fier. Sa mentionez ca am suspensii sport :) da oricum nu avea voie totusi sa faca in halu asta.
Link to comment
Share on other sites

Mie imi zicea Nea'Meseriashu' cum ca:

Daca se simte cand e masina suspendata,e foarte posibil sa fie bucsa aia(ambele de fapt ca asa se schimba normal,ca sunt doua roti pe fatza)

De pivoti ma gandeam si eu sa fie,dar nah,si la caseta de directie...nu prea m-am gandit ca ar cam trebui sa simti si in volan daca e caseta,dupa ce stiam eu.

P.S:Am spart asa tare pusculitza de am venit la Facultate cu trenul :lol: :) ,da'las ca vin vremuri mai bune...nici nu s-au scumpit TOATE...

Pentru inceput o sa incerc cu bucsile alea doua,sa incep cu ce e mai ieftin,ca masina am intretinut-o destul de bine(cand e vorba de viteza,sau mers STRONG nu ma abtin,dar in rest o mai menajez) :)

Link to comment
Share on other sites

Despre care bucse vorbiti voi aici? Azi mi-am luat si eu 2 seturi de bucse si acum astept sa ma programeze la un service sa merg sa le schimb

Eu mi-am luat : 2 bucsi pe fata : bucsi trapez superior brat_ghidaj__trapez_.jpg

 

si 2 bucsi pe spate : bucsi tendon spate brat_ghidaj.jpg

 

Piesele pe original ar fi costat aproape 500 ron, insa le-am luat de la ceva firma "agreata de BMW" la pretul de 260 Ron toate 4

Link to comment
Share on other sites

Salut Mircea.

Pai bucsele trapez fatza,de care zici tu,ca in poza apar cei doi pivoti,interior si exterior si inca o bucsa,si aia o vreau si eu :)

Si de bucsele spate,daca am vazut eu bine,cred ca am schimbat si eu,la mine era Lemforder,sau cel putin asa scria acolo,nush cat de originala,dar costa 50-60 lei bucata(bucsa portfuzeta era la mine),si astea pentru fatza am vazut ca erau cam 80-90 lei setul.

Si la colegu'ce intreba de pretul pivotilor,eu am vazut in jur de 70-80 lei bucata.

Link to comment
Share on other sites

Salut Mircea.

Pai bucsele trapez fatza,de care zici tu,ca in poza apar cei doi pivoti,interior si exterior si inca o bucsa,si aia o vreau si eu :)

Si de bucsele spate,daca am vazut eu bine,cred ca am schimbat si eu,la mine era Lemforder,sau cel putin asa scria acolo,nush cat de originala,dar costa 50-60 lei bucata(bucsa portfuzeta era la mine),si astea pentru fatza am vazut ca erau cam 80-90 lei setul.

Si la colegu'ce intreba de pretul pivotilor,eu am vazut in jur de 70-80 lei bucata.

 

 

Pe fata pe trapez, apar intradevar cei 2 pivoti (eu nu a trebuit sa ii schimb) si o bucsa. Eu am schimbat cele 2 bucse (stanga-dreapta) si am dat 80 lei pe bucata. nu pe set. Poate ai inteles tu gresit.

Pe spate, am dat intradevar cam 60 lei pe o bucsa. Deci Total 300 ron.

Lemforder sunt bune, intradevar.

Eu nu mai stiu exact ce marca mi-am luat, desi chiar azi le-am cumparat.

Oricum, preturile difera foarte mult de la un producator la altul.

Link to comment
Share on other sites

Probabil ca oricum stiati ,dar na imi fac griji pt voi :) .Bucsele respective de la bascula pe fata se schimba doar cu presa hidraulica ...

 

La primul servise la care am fost ,au vrut sa bata in ele cu ciocanul.....in secunda doi am si plecat de acolo...

 

Cu presa este treaba de 5 minute ...bineinteles sa ai basculele cu tine ....

 

Eu asa am procedat..

Link to comment
Share on other sites

Ciudata alegere sa bagi bucsa cu ciocanul !

Cel mai simplu este cu un brat de la elevator (care sa preseze bucsa). Dar, deh, nu pe oricine duce mintea !

 

Poti sa adaptezi cu maxim succes o banala scula pe care dai 8 RON la Bricostore si pe care o folosesti cu basculele montate pe masina. Scula asta seamana izbitor de mult cu dispozitivul original. Nu ma refer aici la ciocan ci la un fel de presa cu surub.

Link to comment
Share on other sites

Pai nu prea asi crede sa fie amortizoarele,sau arcurile,deoarece acu'un an jumatate cand mi-am luat masina(adusa din Germania,direct de la o tanty,ca si a V-a intra putintel mai greu,ca nu prea a fost folosita,mai mult in orash),mi-a dat si amortizoarele pe fatza,cu tot cu arcuri,si un arc pe spate ca unu era rupt,si nah eu cred ca nu e foarte probabil sa fie amortizoarele,plus ca la tinuta de drum sta foarte bine,si in curbe,si pe drept,doar ca face galagie.

Cam pe la sfarsitul saptamanii viitoare trebuie sa imi intre niste bani pe card,si o sa incerc cu bucsele cele din poza sa remediez situatia(prima si cea mai ieftina solutie :) ,poate o nimeresc din prima)

Link to comment
Share on other sites

Pai nu prea asi crede sa fie amortizoarele,sau arcurile,deoarece acu'un an jumatate cand mi-am luat masina(adusa din Germania,direct de la o tanty,ca si a V-a intra putintel mai greu,ca nu prea a fost folosita,mai mult in orash),mi-a dat si amortizoarele pe fatza,cu tot cu arcuri,si un arc pe spate ca unu era rupt,si nah eu cred ca nu e foarte probabil sa fie amortizoarele,plus ca la tinuta de drum sta foarte bine,si in curbe,si pe drept,doar ca face galagie.

Cam pe la sfarsitul saptamanii viitoare trebuie sa imi intre niste bani pe card,si o sa incerc cu bucsele cele din poza sa remediez situatia(prima si cea mai ieftina solutie :) ,poate o nimeresc din prima)

Verifica si pivotii si capetele de bara.

Link to comment
Share on other sites

Eu am schimbat bieletele antiruliu fata si nu s-a mai auzit nici un zgomot. Daca sunt pivotii sau bucsile de vina, trosneste daca franezi brusc la viteza mica Edited by bdani
Link to comment
Share on other sites

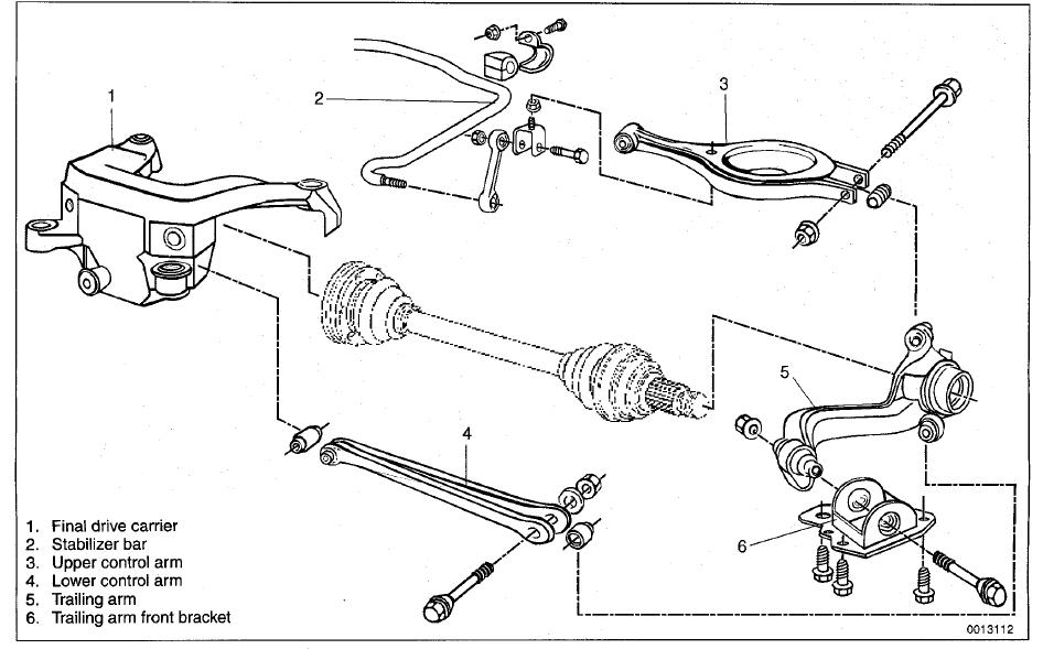
Eu tre sa mai schimb la mine 4 bucsi pe spate.

 

suspensie_spate.JPG

 

E vorba de 2 bucsi care intra in piesa cu nr 6 din poza.

Si inca 2 bucsi care intra in piesa cu nr 4.

Totodata am nevoie si de cele 2 suruburi (stg-dreapta) excentrice cu care se monteaza bucsile de la bratul cu nr 4.

Stie careva de unde pot cumpara suruburile acelea? Si cum se numesc bucsile astea de care am eu nevoie.

 

Ms

Link to comment
Share on other sites

De ce ar trebui sa trosneasca daca franezi brusc nu prea inteleg...poate imi explici si mie ca sa nu cumpar bucsele daca nu sunt ele de vina.

 

Mircea,daca e bucsa de care zic eu,aia care intra in piesa numarul 6 se numeste bucsa portfuzeta spate.

Gasesti pe autokarma.Uite si link:

http://www.autokarma.ro/catalog_fisa.php?i...tru=&page=5

De cealalta nush ce sa zic,dar este sigur in link.

BFT!

Link to comment
Share on other sites

Join the conversation

You can post now and register later. If you have an account, sign in now to post with your account.

Guest
Reply to this topic...

×   Pasted as rich text.   Paste as plain text instead

  Only 75 emoji are allowed.

×   Your link has been automatically embedded.   Display as a link instead

×   Your previous content has been restored.   Clear editor

×   You cannot paste images directly. Upload or insert images from URL.

Loading...
  • Recently Browsing   0 members

    • No registered users viewing this page.
×
×
  • Create New...

Important Information

Prin folosirea acestui site, sunteti de acord cu Terms of Use. Gasiti aici Guidelines. Politica de cookies: We have placed cookies on your device to help make this website better. You can adjust your cookie settings, otherwise we'll assume you're okay to continue.